用于提梁机紧急安全制动SB100液压钳盘式制动器焦作江河
用于提梁机紧急安全制动SB100液压钳盘式制动器焦作江河
产品价格:¥8500.00(人民币)
  • 规格:SBD50
  • 发货地:河南焦作
  • 品牌:
  • 最小起订量:1
  • 免费会员
    会员级别:试用会员
    认证类型:未认证
    企业证件:未通过
    认证信息:未认证

    商铺名称:焦作盘式制动器股份有限公司

    联系人:江小春(先生)

    联系手机:

    固定电话:

    企业邮箱:2111588055@qq.com

    联系地址:焦作市武陟县虹桥工业区51号

    邮编:4545150

    联系我时,请说是在变革智能网上看到的,谢谢!

    商品详情
      产品参数
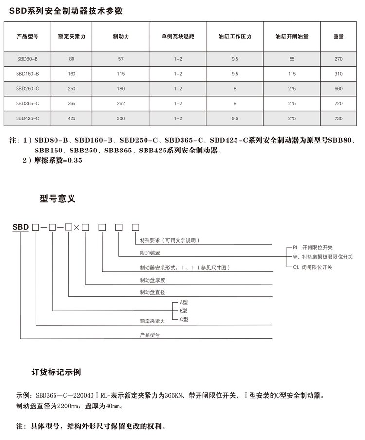
      规格SBD
      配件适用对象起重机 港口装卸机械 皮带运输设备
      质保24个月
      附加装置A手动释放
      历史配套情况起重 冶金 港口 煤矿 风电
      安装方式垂直
      布局形式标准
      出厂合格率100
      产品外观红 蓝 灰
      制造商焦作市江河制动器有限公司
      用途范围减速 制动
      是否提供售后服务提供售前售后服务
      制动力矩100N.m-500000N.m
      可售卖地北京;天津;河北;山西;内蒙古;辽宁;吉林;黑龙江;上海;江苏;浙江;安徽;福建;江西;山东;河南;湖北;湖南;广东;广西;海南;重庆;四川;贵州;云南;西藏;陕西;甘肃;青海;宁夏;新疆;台湾;香港;澳门;钓鱼岛
      材质45号
      类型工业制动器













    0571-87774297