AP8233SOT23-5升压恒压驱动芯片筋膜枪专用恒压IC
AP8233SOT23-5升压恒压驱动芯片筋膜枪专用恒压IC
产品价格:¥0.20(人民币)
  • 规格:完善
  • 发货地:广东深圳
  • 品牌:
  • 最小起订量:1
  • 免费会员
    会员级别:试用会员
    认证类型:企业认证
    企业证件:通过认证

    商铺名称:深圳市世微半导体有限公司

    联系人:(先生)

    联系手机:

    固定电话:

    企业邮箱:3004893308@qq.com

    联系地址:深圳市宝安区西乡街道华源科技创新园B座二区326

    邮编:518100

    联系我时,请说是在变革智能网上看到的,谢谢!

    商品详情
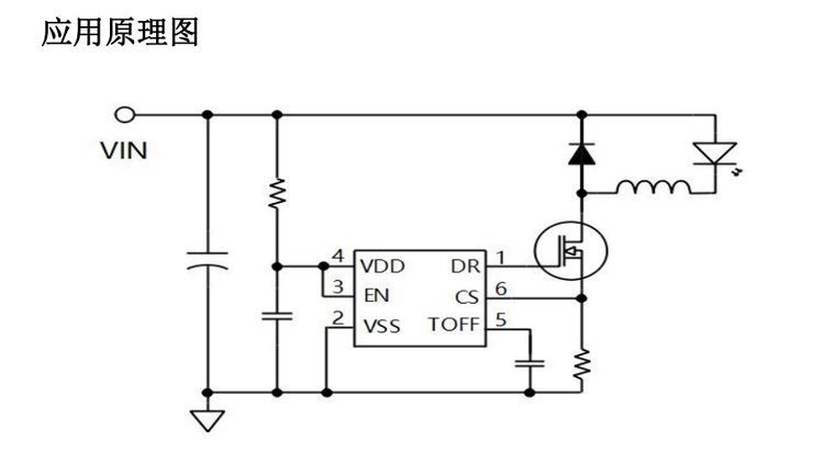
      产品参数
      品牌AP/世微
      启动电压0.9V
      拓扑结构DC/DC
      内部开关
      故障保护温度保护
      工作温度-30℃-85℃
      击穿电压6V
      控制特性升压恒压
      输出功率1-5W
      低电压运行启动保证从0.9 V(Iout=1毫安)
      占空比内置PWM / PFM开关控制电路15至78
      振荡器频率300千赫
      输出电压范围1.5V~6.5 V
      输出电压精度±2
      封装SOT23-5
      数量5000000000
      批号22
      典型应用筋膜枪 蓝牙设备 掌上电脑 便携式通信调制解调器
      特色服务免费提供样品及技术支持
      可售卖地全国
      型号AP8233





    0571-87774297