永固金具双孔铜鼻子DT-70S国标A级铜接线端子
永固金具双孔铜鼻子DT-70S国标A级铜接线端子
产品价格:¥11.70(人民币)
  • 规格:完善
  • 发货地:浙江温州
  • 品牌:
  • 最小起订量:1
  • 免费会员
    会员级别:试用会员
    认证类型:企业认证
    企业证件:通过认证

    商铺名称:永固集团股份有限公司

    联系人:林玄明(先生)

    联系手机:

    固定电话:

    企业邮箱:271085929@QQ.COM

    联系地址:浙江省乐清市经济开发区纬二十路328号

    邮编:325600

    联系我时,请说是在变革智能网上看到的,谢谢!

    商品详情
      产品参数
      品牌永固
      封装/规格SMD
      包装盒装
      最小包装量15
      形状条形
      制作工艺未知
      产品认证IOS9001
      执行质量标准国标
      加工定制
      是否进口
      特性导电性能强
      可售卖地全国
      等级一级品
      型号DT-70S

        铜鼻子铜鼻子又称线鼻子、铜接线鼻子、铜管鼻,接线端子等,各地方和各行业叫法不一。是用于电线电缆连接到电器设备上的连接件, 顶端这边为固定上螺丝边,末端为上剥皮后的电线电缆铜芯。大于10平方的才使用铜鼻子,小于10平方的电线不使用铜鼻子,改用冷压线鼻。铜鼻子有表面镀锡和不镀锡、管压式和堵油式之分。

        主要适用范围:家用电器,电气业,机械设备厂,船厂,配电柜配电箱等。产品外观规格良好,导电性能好,安全。

        型号1:DT,是由T3铜棒做成, 产品外貌为锅铲圆头,可用于密封堵油,顶端这边为固定上螺丝用,末端插进剥皮后的电缆用端子钳压紧即可。

        型号1:DTG,是由T3铜管冲压而成,重量略轻于DT,在不需要密封堵油的连接时可代替DT。做工比DT简单快速,价格也相对便宜。

        用法相同DT,

        表面处理:

        常用的有两种,1.酸洗,酸洗过的颜色和红铜的本色基本相同,能起到美观抗氧化更利于导电。

        2,镀锡,镀锡后的铜鼻子表面为银白色,能更好的防氧化和导电,并可防止铜在导电过成中产生的有害气体扩散。

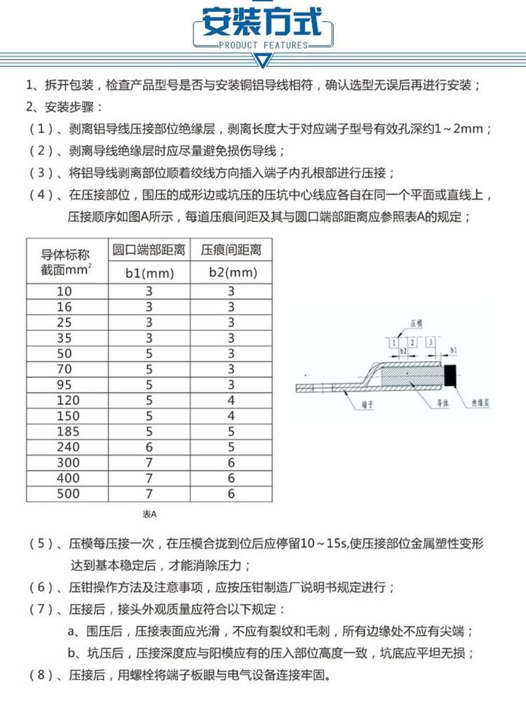
        安装注意事项:1、螺钉一定要拧紧。2、电缆和铜鼻子一定要插到位并用钳子压紧

    0571-87774297