F470-D4V 110V
F470-D4V 110V
产品价格:¥1200(人民币)
  • 规格:F470-D4V
  • 发货地:赣州
  • 品牌:
  • 最小起订量:1个
  • 诚信商家
    会员级别:标准会员
    认证类型:企业认证
    企业证件:通过认证

    商铺名称:江西匡庐机电有限公司

    联系人:高飞(先生)

    联系手机:

    固定电话:

    企业邮箱:2398426469@qq.com

    联系地址:赣州市章贡区

    邮编:341000

    联系我时,请说是在变革智能网上看到的,谢谢!

    商品详情

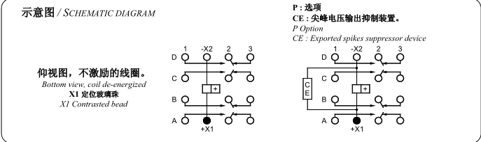
      F470-D4V是一款轨道车辆专用继电器,由电磁线圈、接点组、传动系统和确保接点闭合或断开的部件组成。主要类型有:直流无极继电器、偏极继电器、极性保持继电器等。以直流无极继电器为例,结构如下图所示.当给线圈通以标定的工作电流,电磁铁励磁带动接点系统,使前接点与中接点闭合,线圈断电或电流下降达不到规定数值,靠接点簧片弹力和重锤片重力使中接点与前接点断开,与后接点闭合。加重捶片是为了从结构上保证继电器接点可靠闭合或断开。铁路信号在要求具有故障导向安全性能的电路中所采用的重力式或弹重力式继电器称为铁路信号安全继电器。直流无极继电器只有前接点闭合或后接点闭合两种状态;偏极继电器在通以正向电流时前接点闭合!无电或通以反向电流时,继电器均不动作,具有反映电流极性的作用;极性保持继电器在通以正向或反向电流时,使继电器接点系统分别处于两个状态中的一个状态,正向吸起接点闭合或反向打落接点闭合。线圈断电,接点系统仍保持在断电前的状态。

      F470-D4V 有如下一般特性:

      1、温度范围 -40到+85

      2、海平面处的电介质强度,所有接地端子,点对点,独立端子 1500veff/50hz

      3、500V直流电压下的初始绝缘电阻  100欧米伽

      4、正弦震动 5mm/10至/to 30HZ

      5、冲击  100g/6ms

      6、振动与冲击状态下触点最长分开时间  10ms

      7.额定电压下的工作时间  最长16ms

      8.释放时间 最长16ms

      9.5 AMP 电流时触点电阻 最大15Ω

      示意图如下

      下列产品我公司大量库存,欢迎来电洽谈:

      继电器 MS4SA-A
      继电器 HH52P
      接触器 3RT1026-3KF44-0LA0
      指示灯 AD11-22/41-5GZ
      电磁阀 56C-18-611JB
      继电器 F470-D4V 110V
      比例阀 DG4V-3-8C-VM-U-H7-61
      液压阀 DG4V-5-8CJ-VM-U-H6
      继电器模块 RE6-1226
      电磁阀 NV1-10K-3G
      滤芯 UE319AS20Z
      液压表 MFR2-20-ADS
      接头 AS4201F-04-10S
      手柄 NZM2-XTVDVR-NA
      电磁阀 MFH-5-1/8-L-B
      电缆 6811A33
      电磁阀 2623077.3032.024.00
      电磁阀 8020750+0246
      电磁阀 SCG531C001MS
      电磁阀 SEU3/8
      电磁阀 V61B413A-A2D/A3364/13J24
      电磁阀 V61B313A-A2D/A4093/13J24
      断路器 LD3600F
      传感器 IGS705
      限位开关 LSA1A
      磁性开关 SW-M2WV
      照明元件 CCT15368
      浪涌 EA9L658FR400 
      接触器 DILM185A/22(RAC240)
      凸轮开关 OC25G02PNBN00NA2
      继电器 RM22TU23
      过滤器 6800-5330-4
      O型圈 6730 Teflon 232oC / 450oF
      滤芯 6752 30 Micron S.S
      传感器 PR18-BC40DNO
      断路器 3RV1011-0FA10
      继电器 3RT1016-2AP01
      梅兰日兰 M2AL12-800WFR
      派克 000FH30
      三位四通阀 4WE6D62/EG24N9K4
      PLC适配器 ORDER NR:161701-PRO 18-30V DC FW2.34
      MAYFRAN 725.5094
      逆止阀 R900420528
      PARKER RHD12LOMD-CF
      逆止阀 R901086081
      减压阀 ZDR6 DA2-4X/75Y
      减压阀 EM32V-1/2
      变频器 FC-051PK75T4E20H3XXCXXXSXXX
      变频器 FC-051PK75T4E20H3XXCXXXSXXX
      气缸 DRRD-20-180-FH-Y9A
      电磁阀 SY5120-5C-01
      电磁阀 SY5220-5C-01
      电机 AGSH 319999-03AC
      可编程控制器 FP0-E16RS
      继电器 5669.12/3033L1/61
      继电器 BA9054/011
      继电器 R1.188.3580.0
      压力开关 EDS-3446-1-0040-000
      压力开关 EDS-3446-1-0250-000
      压力开关 EDS-3446-1-0100-000
      电磁阀 V61B313A-A213J
      继电器 BD9080.12
      手柄 5P95253G021
      手柄 UX2TE 4C9B7295G001
      开关 MHR3-15R
      熔断器 170M2043/400A


    0571-87774297