商铺名称:深圳市科发鑫电子有限公司
联系人:魏先生(先生)
联系手机:
固定电话:
企业邮箱:wjs138@szkfx.com
联系地址:深圳市南山区
邮编:00000
联系我时,请说是在变革智能网上看到的,谢谢!
概述
IP5328P 是一款集成 QC2.0 / QC3.0 输出快充协议、 FCP/AFC/SFCP 输入输出快充协议、MTK PE+ 1.1&2.0 输 出快充协议、USB C/PD2.0/PD3.0 输入输出协议、USB C PD3.0 PPS 输出协议、兼容BC1.2/苹果/三星手机、同步升 /降压转换器、锂电池充电管理、电池电量指示等多功能的电 源管理 SOC,为快充移动电源提供完整的电源解决方案。 可同时支持USB A x2,USB B,USB C 四个USB 口,单独 使用任何一个 USB 口都可以支持快充,同时使用两个及以 上输出口时,只支持5V。
IP5328P 的高集成度与丰富功能,只需一个电感实现降压与升压功能,在应用时仅需极少的外围器件,有效减小整体方案的尺寸,降低BOM 成本。
IP5328P 的同步开关升压系统可提供最大18W 输出能力,即使电池电压较低时输出18W仍能保持90%以上的效率。空载时,自动进入休眠状态。
IP5328P 的同步开关充电系统,提供高达5.0A充电电流。内置IC温度、电池温度和输入电压控制环路,智能调节充电电流。
IP5328P 内置USB C&PD2.0/PD3.0 协议。
IP5328P 内置14bit ADC,精确测量电池电压和电流,可通过I2C 访问 ADC 数据。IP5328P 内置电量计算法,可准确获取电池电量信息。可定制电池电量曲线,以精准显示电池电量。
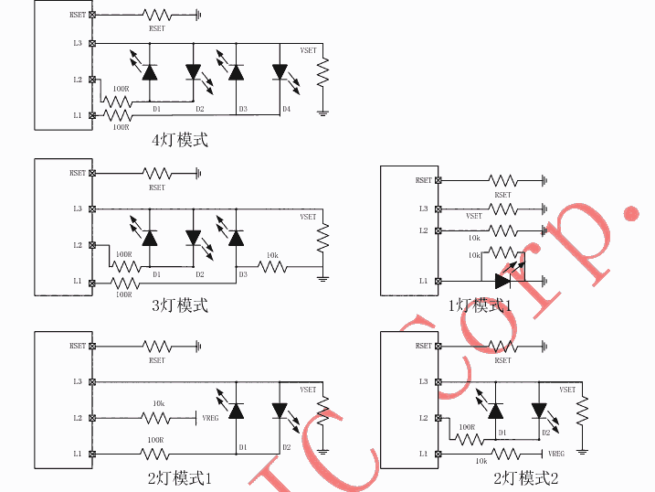
IP5328P 支持1/2/3/4 颗 LED 电量显示,智能识别电量 显示模式;支持照明功能;支持按键。
可定制功能:边充边放,PD15V输出,给可穿戴设备充电等功能。
应用产品:
1.移动电源、充电宝
2.手机、平板电脑等便携设备
特点:
同时支持多个USB口
2个USBA输出
1个USBB输入
1个USBC 输入输出
快充规格
任意一个口都支持快充
集成QC2.0/QC3.0输出快充协议
QC3.0 高通证书编号:4788056908-2
集成FCP输入/输出快充协议
集成AFC输入/输出快充协议
集成SFCP输入/输出快充协议
集成MTKPE+ 1.1&2.0 输出快充协议
集成USBC DRP 协议,支持输入输出快充
兼容BC1.2、苹果、三星手机快充
集成 USB Power Delivery(PD2.0/PD3.0)协议 ? 支持PD2.0 双向输入/输出协议
支持PD3.0输入/输出,PPS 输出协议
支持5V,9V 电压档位输入
支持5V,9V,12V 电压档位输出
PPS 支持5~11V,20mV/step 输出电压档位
集成硬件的双向标记编解码(BMC)协议
集成物理层协议(PHY)
集成硬件CRC
支持HardReset
充电规格
电池端充电电流最高可达5.0A
自适应充电电流调节
支持4.20V、4.35V、4.40V、4.50V 电池
放电规格
输出电流能力:
5V:3.1A 9V:2.0A 12V:1.5A
同步开关放电5V 2A 效率达95%以上
支持线补
电量显示
内置14bitADC 和电量计
支持1/ 2 / 3 / 4 颗LED 电量显示
智能识别LED电量显示灯数目
可调整电池电量曲线,显示灯更均匀
其他功能
自动检测手机插入和拔出
快充状态指示
智能识别负载,轻负载自动进待机
支持按键
内置照明灯驱动
多重保护、高可靠性
输入过压、欠压保护
输出过流、过压、短路保护 ? 电池过充、过放、过流保护 ? IC 过温保护
充放电电池温度NTC 保护
ESD 4KV,输入(含CC 引脚)耐压25V
BOM 极简
内置开关功率MOS
电感实现充电、放电功能
深度定制
I2C 接口,可灵活、低成本定制方案
封装与IP5328pin to pin 兼容
封装规格:6 mm × 6 mm 0.5pitch QFN40



