JTEKT捷太格特TOYOOKI丰兴HRU3-80G2KE-06卸荷溢流阀
JTEKT捷太格特TOYOOKI丰兴HRU3-80G2KE-06卸荷溢流阀
产品价格:(人民币)
  • 规格:HRU3-80G2KE-06
  • 发货地:江苏昆山市
  • 品牌:
  • 最小起订量:1台
  • 诚信商家
    会员级别:钻石会员
    认证类型:企业认证
    企业证件:通过认证

    商铺名称:昆山瑞腾精密自动化有限公司

    联系人:林冠毅(先生)

    联系手机:

    固定电话:

    企业邮箱:1545139143@qq.com

    联系地址:中国江苏省苏州市昆山市 昆山市玉山镇城北花园路2801号

    邮编:

    联系我时,请说是在变革智能网上看到的,谢谢!

    商品详情

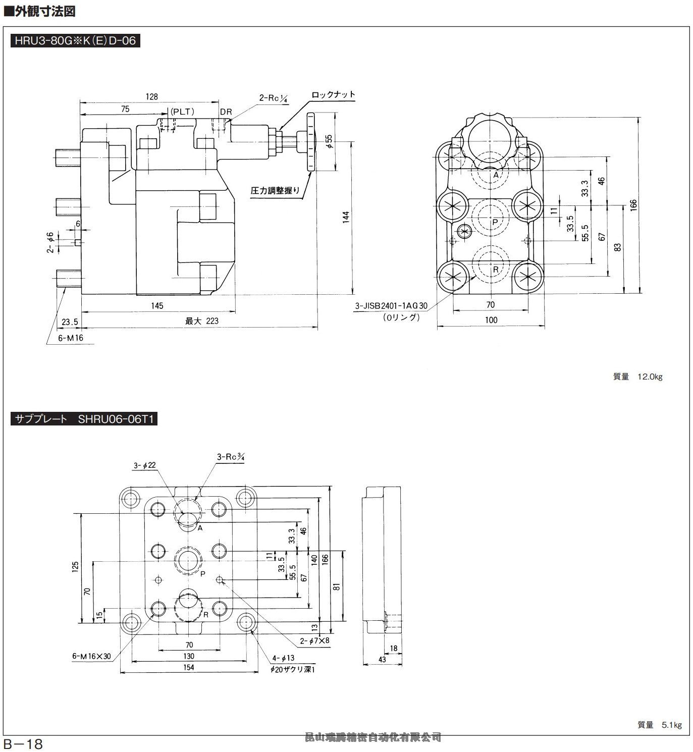
      JTEKT捷太格特TOYOOKI丰兴HRU3-80G2KE-06卸荷溢流阀

      卸荷溢流阀(HRU)

      将平衡活塞式卸荷阀与单向阀组合成一体,主要用于蓄能器回路等需要以 2台泵供应低压大容量和高压小容量的双压回路。
      ●如果主回路的压力达到卸荷阀的设置压力(切断压力),控制压力就工作,从泵中送出的油在空载状态下由回流口返回油箱。另外,如果主回路的压力降低到接通压力(约为切断压力的 85%),控制压力就断开,从泵中送出的油又重新在负载状态下流入主回路。
      ●请将外部泄油管直接连接到油箱,将管头放入油中。
      ●在蓄能器回路中使用时,请将泵到蓄能器的压力降低设置在切断压力的 4%以下。
      ●需要底板 SHRU※※ -※※ T1时,请另行订购。

      ●请在蓄能器回路中使用外部控制。此时,请从蓄能器的附近引出控制压力。

      规格

      公 称
      额定流量L/min
      Max.流量L/min
      Max.使用压力MPa 压力调整范围MPa
      内部控制(型号
      部控制(型号
      04 40 80 21 2.5~21 HRU3-80G※KD-04 HRU3-80G※KED-04
      06 120 190 21 2.5~21
      HRU3-80G※KD-06
      HRU3-80G※KED-06

      (注) 1.型号中的※标记表示压力调整范围。

      1:2.5~ 7MPa

      2:3.5~ 14MPa

      3:10.5~ 21MPa

      JTEKT捷太格特TOYOOKI丰兴HRU3-80G2KE-06卸荷溢流阀

      JTEKT捷太格特TOYOOKI丰兴HRU3-80G2KE-06卸荷溢流阀

      关键词:HRU380G2KE06 捷太格特溢流阀 JTEKT溢流阀 丰兴溢流阀 TOYOOKI溢流阀 溢流阀


    0571-87774297