商铺名称:深圳市英达制冷机电有限公司
联系人:晏晓海(先生)
联系手机:
固定电话:
企业邮箱:xiaohai1012@163.com
联系地址:深圳市福田区八卦岭523栋8楼817室
邮编:518000
联系我时,请说是在变革智能网上看到的,谢谢!
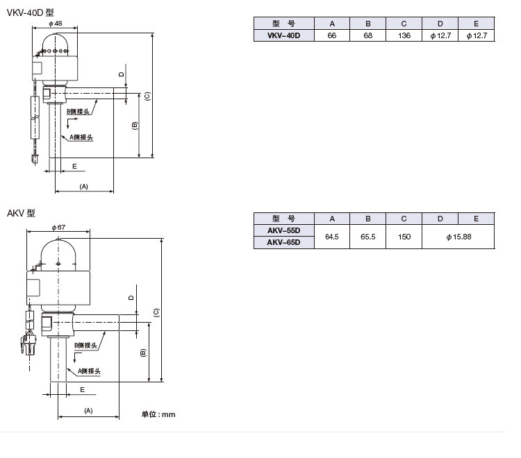
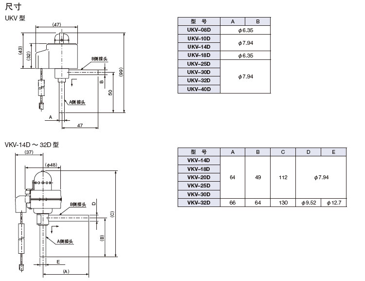
产品参数 | |||
---|---|---|---|
数量 | 10个 | ||
是否支持加工定制 | 是 | ||
是否进口 | 是 | ||
包装规格 | 工业包装 | ||
材质 | 铜 | ||
产地 | 中国/日本/泰国 | ||
功能用途 | 节流 | ||
颜色 | 黑色 | ||
公称直径 | 0.14cm | ||
适用范围 | 氟化物制冷剂 | ||
型号 | UKV-14D204 | ||
品牌 | saginomiya |