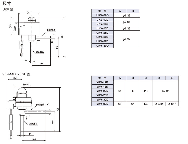
原装日本Saginomiya鹭宫制冷空调用脉冲电子膨胀阀UKV-14D204
原装日本Saginomiya鹭宫制冷空调用脉冲电子膨胀阀UKV-14D204
产品价格:¥9999.00(人民币)
  • 规格:UKV-14D204
  • 发货地:广东深圳
  • 品牌:
  • 最小起订量:1
  • 免费会员
    会员级别:试用会员
    认证类型:企业认证
    企业证件:通过认证

    商铺名称:深圳市英达制冷机电有限公司

    联系人:晏晓海(先生)

    联系手机:

    固定电话:

    企业邮箱:xiaohai1012@163.com

    联系地址:深圳市福田区八卦岭523栋8楼817室

    邮编:518000

    联系我时,请说是在变革智能网上看到的,谢谢!

    商品详情
      产品参数
      数量10个
      是否支持加工定制
      是否进口
      包装规格工业包装
      材质
      产地中国/日本/泰国
      功能用途节流
      颜色黑色
      公称直径0.14cm
      适用范围氟化物制冷剂
      型号UKV-14D204
      品牌saginomiya









    0571-87774297