真空泵SKA5131英科水环式真空泵厂家
真空泵SKA5131英科水环式真空泵厂家
产品价格:¥6100.00(人民币)
  • 规格:完善
  • 发货地:浙江温州市
  • 品牌:
  • 最小起订量:1
  • 免费会员
    会员级别:试用会员
    认证类型:企业认证
    企业证件:通过认证

    商铺名称:永嘉县英科泵阀有限公司

    联系人:小胡()

    联系手机:

    固定电话:

    企业邮箱:yroke@126.com

    联系地址:浙江省永嘉县瓯北镇默工业园

    邮编:251000

    联系我时,请说是在变革智能网上看到的,谢谢!

    商品详情
      产品参数
      品牌英科泵阀
      泵轴位置卧式泵
      工作温度15℃~20℃
      不允许超过55℃~60℃℃
      驱动方式电动泵
      输送介质未知
      叶轮结构封闭式叶轮
      介质温度类型常温泵
      最大出口压力数值0.26MPa
      额定流量Q165m3/h
      叶轮级数单级泵
      吸入方式单吸泵
      壳体型式节段式
      结构类型罗茨式
      轴功率Pa4kW
      吸入口直径Ds65mm
      排出口直径Dd65mm
      介质温度15℃~20℃
      不允许超过55℃~60℃
      环境温度15℃~20℃
      不允许超过55℃~60℃
      额定转速2860N
      可售卖地北京;天津;河北;山西;内蒙古;辽宁;吉林;黑龙江;上海;江苏;浙江;安徽;福建;江西;山东;河南;湖北;湖南;广东;广西;海南;重庆;四川;贵州;云南;西藏;陕西;甘肃;青海;宁夏;新疆
      材质铸铁
      型号SKA

        真空泵SKA5131 英科水环式真空泵厂家

        SKA系列水环式真空泵用途及使用范围:

        SKA系列真空泵适于抽除气体和水蒸汽,吸气压力达到33mbar绝压(97真空度),当真空泵在吸气压力低于80mbar的状态下长期工作时,应联接气蚀保护管以对泵进行保护,如配大气喷射器,吸气压力可达10mbar,喷射器可直接安装在真空泵上,作为压缩机用时,其压力至0.26MPa(绝压)。水环真空泵及压缩机被广泛用于石油化工、制药、食品、制糖工业等领域,由于在工作过程中,气体的压缩过程是等温的,所以在压缩和抽吸易燃易爆气体时,不生危险,其应用更加广泛。

        SKA2061水环式真空泵 真空泵生产厂家

        SKA系列水环式真空泵工作原理:

        如图(1)所示叶轮3偏心地安装在泵体之内,起动时向泵内注入一定高度的水,因此当叶轮3旋转时,水受离心力的作用而在泵体内壁形成一旋转水环1,水环下部内表面与轮毂相切,沿箭头方向旋转,在前半转过程中,水环内表面逐渐与轮毂脱离,因此在叶轮叶片间与水环形成封闭空间,随着叶轮的旋转,该空间逐渐扩大,空间气体压力降低,气体自圆盘吸气口被吸入;在后半转过程中,水环内表面逐渐与轮毂靠近,叶片间的空间逐渐缩小,空间气体压力升高,高于排气口压力时,叶片间的气体自圆盘排气口被排出。如此叶轮每转动一周,叶片间的空间吸排气一次,许多空间不停地工作,泵就连续不断地抽吸或压送气体。

        由于在工作过程中,做功产生热量,会使工作水环发热,同时一部分水和气体一起被排周,因此,在工作过程中,必须不断地给泵供水,以冷却和补充泵内消耗的水,满足泵的工作要求。

        当泵排出的气体不再利用时,在泵排气口上接有气水分离器,废气和所带的部分水排入气水分离器后,气水分离,气体由排气管排出,留下的水经回水管供至泵内继续使用。随着工作时间的延长,工作水温度会不断地升高,这时需从供水管供给冷水,以降低工作水的温度,保证泵能达到所要求的技术要求和性能指标。

        水环式真空泵生产厂家 水环真空泵SKA2070

        SKA系列水环式真空泵性能参数:

        注:1、表中所列数据在下列条件下测出:

        ①大气压力101325Pa(1013mbar)

        ②进水温度15℃

        ③吸入空气温度20℃

        ④空气相对湿度70

        2、性能允许偏差:±10

        水环式真空泵价格 SKA2071真空泵

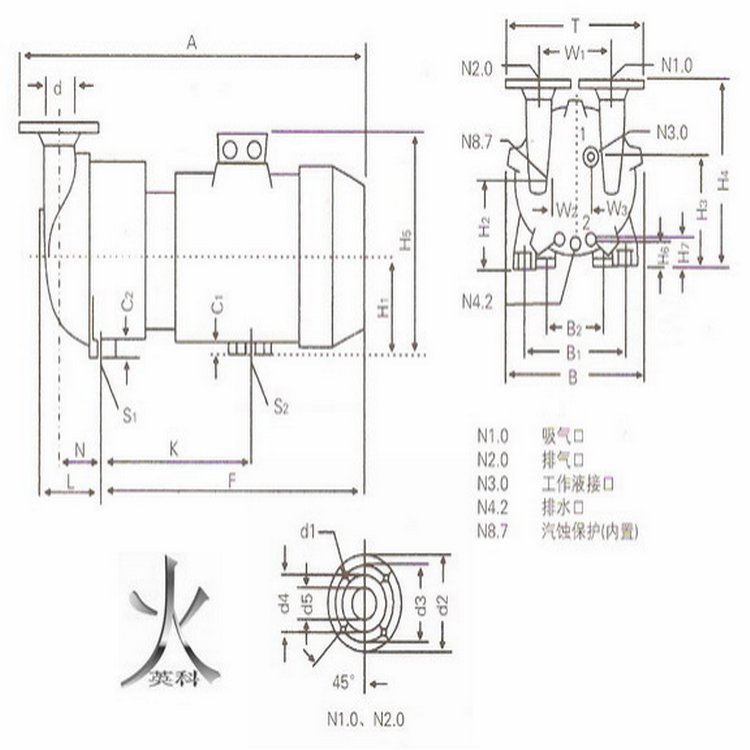
        SKA系列水环式真空泵连接尺寸:

        水环式真空泵出厂格 真空泵SKA5110

        SKA系列水环式真空泵外型连接尺寸:

        SKA5111 真空泵 水环式真空泵出厂价

        SKA系列水环式真空泵设备安装:

        1、泵的安装:

        真空泵和压缩机在安装时,安装面必须水平,并通过底角的孔用螺栓安装牢固。为防止在安装时焊渣进入真空泵,在安装时,应在吸气管上安装上过滤网。

        2、气水分离器的安装

        气水分离器可直接安装在真空泵的排气口上,并用螺栓固定牢固。气水分离器有一管路与泵相连,由此供给泵工作需水量,其余工作水由供水管供给,供水量大小由管路上的阀门调节。

        真空泵或压缩机的进气管上应装有逆止阀,以便在停车时,防止真空泵或压缩机内的水在排气管方面的压力作用下返回系统。

        SKA系列水环式真空泵启动及停车:

        1、启动

        长期停车的泵在开动以前,必须用手转动数圈,以证实泵内没有卡住或其它损坏现象。

        启动按以下顺序进行(参见图5)

        (1)打开排气管阀门。

        (2)启动电动机(应注意电机的正反转)

        (3)迅速打开图5供水管2。逐渐增加供水量,至供水量符合规定要求为止,(应注意不要干运行真空泵)。

        2、停车

        停车按以下顺序:

        (1)(如进气管有阀门)关闭进气管上的阀门。

        (2)关闭供水管2,并迅速关停真空泵。

        (3)停车后应将泵腔内的水放掉,以免再次启动时,会造成叶片与泵轴断裂。

        SKA系列水环式真空泵维护:

        1、为避免磨损叶轮、泵体或卡住叶轮,随气体和工作液进入泵腔的灰尘颗粒,可通过泵底部的冲洗口冲洗掉。

        2、如果用硬水作工作液,须经软化,或在一定周期内用溶液清洗泵。

        3、电动机常工作的轴承比周围温度高15℃~20℃,不允许超过55℃~60℃,正常工作的轴承每年应装油1-2次,每年至少清洗轴承一次,并将润滑油全部更换。

        4、采用的机械密封,出现泄漏现象,应检查机械密封的动、静环是否已损坏,或是密封圈已老化,如出现上述情况,均需更换新零件。

        英科水环式真空泵 SKA5121真空泵

        SKA系列水环式真空泵故障和消除方法: