WK450L经济型卧式数控铣床高性价比十字滑台结构可选装数控转台
WK450L经济型卧式数控铣床高性价比十字滑台结构可选装数控转台
产品价格:¥145000.00(人民币)
  • 规格:
  • 发货地:山东枣庄
  • 品牌:
  • 最小起订量:1
  • 免费会员
    会员级别:试用会员
    认证类型:企业认证
    企业证件:通过认证

    商铺名称:枣庄腾奥达数控机床有限公司

    联系人:李总(先生)

    联系手机:

    固定电话:

    企业邮箱:503209884@qq.com

    联系地址:山东省滕州市学院东路东首经济科技园区8号

    邮编:277500

    联系我时,请说是在变革智能网上看到的,谢谢!

    商品详情
      产品参数
      是否支持加工定制
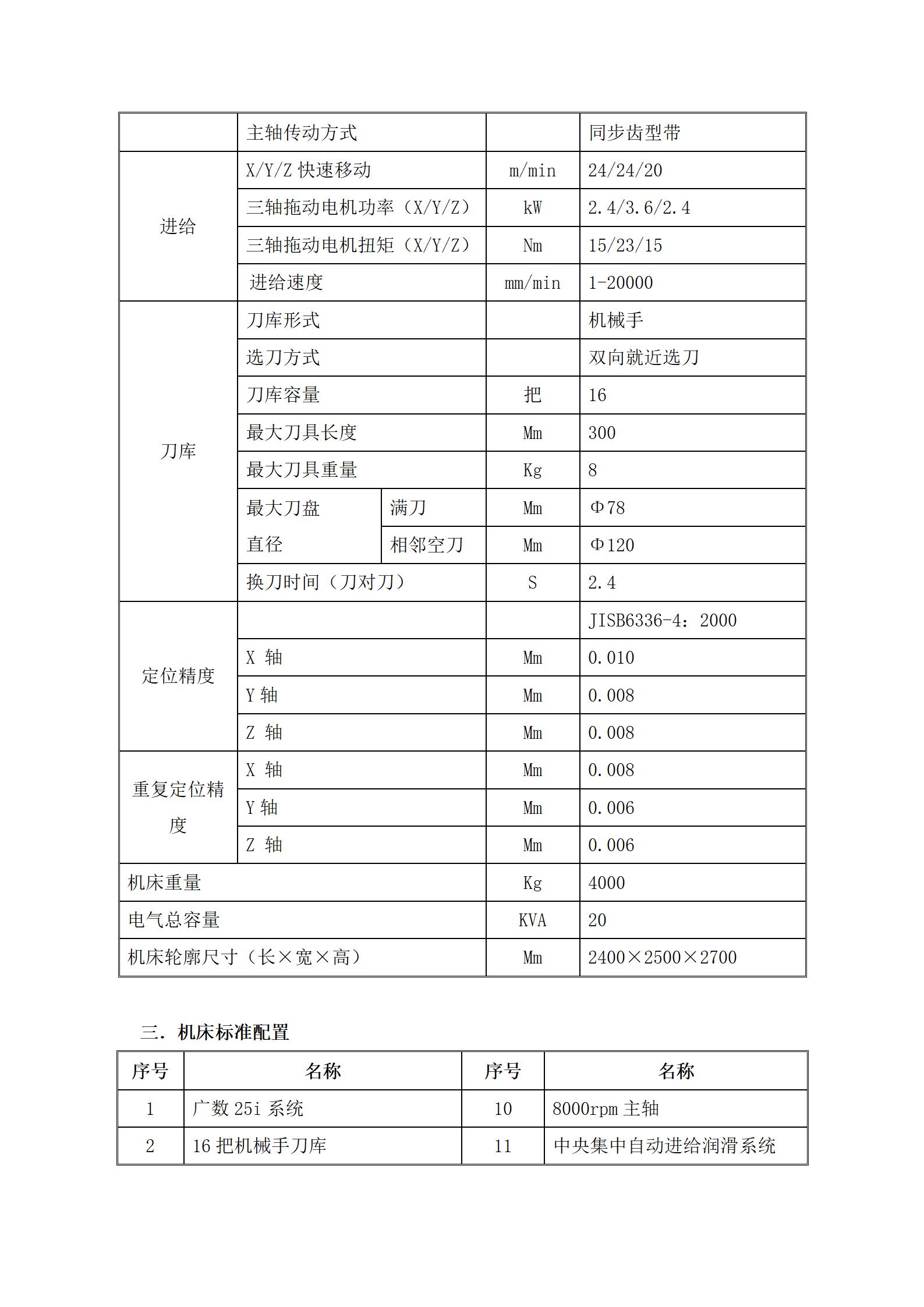
      型号WK450L
      工作台尺寸800×450
      允许最大荷重400
      T形槽尺寸14×5
      工作台最大行程- X轴650
      滑座最大行程- Z轴450
      主轴最大行程 - Y轴650
      主轴端面至工作台中心距离100-550
      主轴中心到工作台面距离50-700
      锥孔 (724)BT40
      转数范围50~8000
      主轴传动方式同步齿型带
      主轴电机功率11
      X/Y/Z快速移动2.4/3.6/2.4
      刀库容量16把
      品牌腾奥达







    0571-87774297