QX41三菱PLC
QX41三菱PLC
产品价格:¥电议(人民币)
  • 规格:QX41
  • 发货地:上海
  • 品牌:
  • 最小起订量:1台
  • 诚信商家
    会员级别:钻石会员
    认证类型:企业认证
    企业证件:通过认证

    商铺名称:上海挥朝传动设备有限公司

    联系人:关立军(小姐)

    联系手机:

    固定电话:

    企业邮箱:455525155@qq.com

    联系地址:上海嘉定安亭汽车城安谐路99弄

    邮编:200400

    联系我时,请说是在变革智能网上看到的,谢谢!

    商品详情
      什么是伺服电机: ?伺服电动机又称执行电动机,在自动控制系统中,用作执行元件,把所收到的电信号转换成电动机轴上的角位移或角速度输出。
      伺服电机分为:分为直流和交流伺服电动机两大类 。
      一、伺服电机的工作原理:
      伺服电机内部的转子是永磁铁,驱动器控制的U/V/W三相电形成电磁场,转子在此磁场的作用下转动,同时电机自带的编码器反馈信号给驱动器,驱动器根据反馈值与目标值进行比较,调整转子转动的角度。伺服电机的精度决定于编码器的精度(线数)。
      二、交流伺服系统分类:
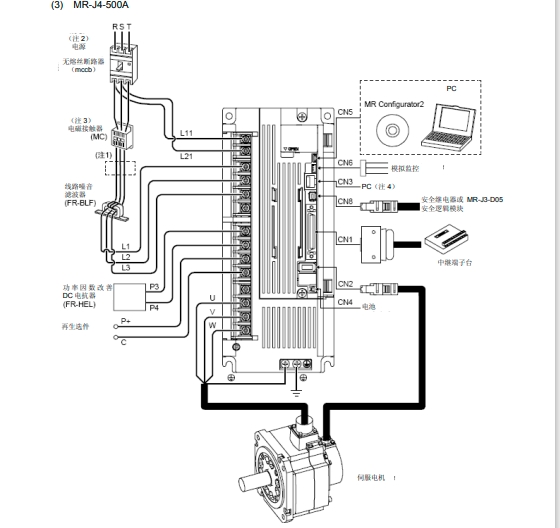
      主要的系列有:MR-J、MR-H、MR-C系列;MR-J2系列;MR-J2S系列;MR-E系列;MR-J3系列;MR-ES系列、HC-KFS系列、HC-SFS系列。
      三、三菱伺服电机MR-J2S系列
      1、该产品还有RS-232和RS-422串行通讯功能,通过安装有伺服设置软件的个人计算机就能进行参数设定,试运行,状态显示和增益调整等操作。
      2、与MR-J2S系列配套的伺服电机编码器采用了分辨率为131072脉冲/转的绝对位置编码器,所以比MR-J2系列具有进行更高精度控制的能力,采用高性能的CPU,大大提高产品的响应性,速度环路频率响应提高到550HZ。
      3、多种系列伺服马达适应不同控制需求,马达上的编码器均支持ABS模式,只要在伺服放大器上另加电池,就能构成绝对位置系统。
      4、使用更为方便,具有优异的自动调谐性能,机械分析功能,可以轻松实现抑制机械振动,增益搜索功能,可以自动找出佳增益值。
      三菱伺服电机MR-J3系列
      1、该产品具有USB和RS-422串行通讯功能,通过安装有伺服设置软件的个人计算机就能进行参数设定,试运行,状态显示监控和增益调整等操作,该产品具有高水平自整定功能和高级振动抑制控制功能。
      2、与MR-J3系列配套的高性能伺服电机编码器采用了分辨率为262144脉冲/转的绝对位置编码器,速度环路频率响应提高到900HZ,具有高速/大转矩特性,所以比MR-J2S系列具有进行更高精度控制的能力。
      3、多种系列伺服马达适应不同控制需求,马达上的编码器均支持ABS模式,只要在伺服放大器上另加电池,就能构成绝对位置系统。
      4、功能更强的伺服设置软件MR-configurator使用更为方便,具有精确的机械分析功能。?
      三菱伺服电机MR-ES系列
      1、MR-ES系列从控制模式上又可分成MR-E-A-KH003(位置控制模式和速度控制模式),MR-E-AG-KH003(模拟量输入的速度 控制模式和转矩控制模式)。
      2、MR-ES系列的配套伺服电机的新编码器采用131072脉冲/转分辨率的增量位置编码器。
      三菱伺服电机MR-E系列
      菱通用AC伺服MR-ES系列是在MR-J2S系列的基础上开发的,保持了高性能但是限定了功能的AC伺系列。
      MR-ES系列从控制模式上又可分成MR-E-A-KH003(位置控制模式和速度控制模式),MR-E-AG-KH003(模拟量输入的速度 控制模式和转矩控制模式)。
      MR-ES系列的配套伺服电机的新编码器采用131072脉冲/转分辨率的增量位置编码器。


    0571-87774297