铝型材壳体铝合金外壳工控工业5G电源盒pcd电子电源产品机箱
铝型材壳体铝合金外壳工控工业5G电源盒pcd电子电源产品机箱
产品价格:¥30.25(人民币)
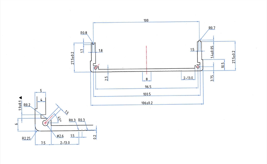
  • 规格:56*106
  • 发货地:深圳
  • 品牌:
  • 最小起订量:1套
  • 免费会员
    会员级别:试用会员
    认证类型:企业认证
    企业证件:通过认证

    商铺名称:深圳市鸿发顺达模具有限公司

    联系人:易远南(先生)

    联系手机:

    固定电话:

    企业邮箱:

    联系地址:站内询盘请加VX

    邮编:

    联系我时,请说是在变革智能网上看到的,谢谢!

    商品详情


      图纸仅供参考,实际尺寸以实物为准。图片为现货产品,长度可定制,开孔加工、丝印雷雕、表面处理等均可定制属于您的专属DIY

      1.关于批量订货,此款壳体宽度及高度是不可变的,壳体可按要求加工,但均有数量要求(具体数量可联系本人或留言)

      2.批量订货价格,价格的制定,我们是按您的需求定做的具体长度及加工要求难度和加工数量而定(具体可联系本人或留言)

      3.订货需要的图纸文件,机加工我们需要CAD文件,丝印或镭雕激光需要CorelDRAW文件,如果不能提供,本公司有专业的设计团队为您解决设计图纸的问题,您只需提供选定壳体后把焊接好的电子元器件的PCB板提供给我们即可。

      4.可直接联系我易生13714176470(微信同号)

    0571-87774297