商铺名称:四川华芯高工电子有限公司
联系人:邹(先生)
联系手机:
固定电话:
企业邮箱:hxggdz@sina.com
联系地址:四川 成都市 青羊区 西大街84号1-1幢15层1506号
邮编:
联系我时,请说是在变革智能网上看到的,谢谢!
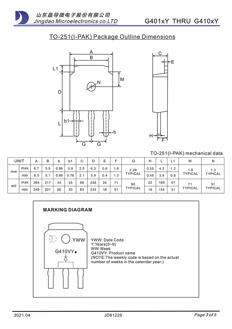
JINGDAO/晶导微 全新原厂原装普通整流二极管:G410DY/G408DY/G406DY;正向整流电流:4A;反向峰值电压:600V~1000V;封装方式:TO-252/D-PAK。通用电源、电器、适配器、充电器、充电桩、工控、医疗设备、工业特种电源、高频电源、风光储新能源、逆变器、伺服电机马达等产品电路作整流、续流、开关、钳位、防反接、防逆回流等作用。GPP大芯片高电压大电流大功率贴片式通用常规标准二极管G410DY/G408DY/G406DY。【页面标价非成交价,请联系详询报价】





