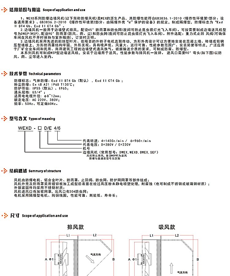
方形BT4防爆风机wex边墙风机SEF侧壁式风机防爆墙壁送风机带百叶
方形BT4防爆风机wex边墙风机SEF侧壁式风机防爆墙壁送风机带百叶
产品价格:¥350.00(人民币)
  • 规格:完善
  • 发货地:浙江温州市
  • 品牌:
  • 最小起订量:1
  • 免费会员
    会员级别:试用会员
    认证类型:企业认证
    企业证件:通过认证

    商铺名称:沪一风机

    联系人:(先生)

    联系手机:

    固定电话:

    企业邮箱:542338615@qq.com

    联系地址:浙江省温州市乐清市柳市镇七里港项浦埭村港浦东路223号

    邮编:325604

    联系我时,请说是在变革智能网上看到的,谢谢!

    商品详情
      产品参数
      品牌沪一风机
      风量多种风量
      风压多种风压
      功率120-4000W
      排出压力多种压力
      配套电机120-4000
      适用范围1区2区危险场所
      叶轮直径200MM250MM300MM350MM400MM500MM
      叶轮转速1450转
      噪音多种dB
      气流方向轴流
      系列边墙风机
      加工定制
      可售卖地全国
      材质碳钢 不锈钢
      型号WEX

    0571-87774297