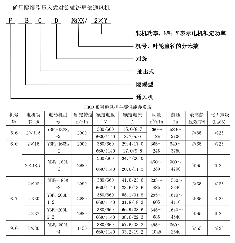
安捷矿用防爆抽出式对旋轴流局部通风机FBCD№5.6\/2×11带MA安标证
安捷矿用防爆抽出式对旋轴流局部通风机FBCD№5.6\/2×11带MA安标证
产品价格:¥7900.00(人民币)
  • 规格:FBCD№5.6\/2×5.5
  • 发货地:山西运城
  • 品牌:
  • 最小起订量:1
  • 诚信商家
    会员级别:钻石会员
    认证类型:企业认证
    企业证件:通过认证

    商铺名称:运城安捷风机电气有限公司

    联系人:赵经理()

    联系手机:

    固定电话:

    企业邮箱:fengji100@126.com

    联系地址:山西省运城市永济市经济技术开发区幸福佳苑东1-9号

    邮编:44000

    联系我时,请说是在变革智能网上看到的,谢谢!

    商品详情
      产品参数
      安捷矿用防爆抽出式对旋轴流局部通风机FBCD№5.6/2×11 带MA安标证 用途范围出风口
      气流方向轴流式
      是否支持加工定制
      材质碳钢
      电压660V
      风轮直径560mm
      风叶直径560mm
      功率11000W
      机身长度3500mm
      频率50Hz
      型号FBCD№5.6/2×11
      性能防爆
      噪声85db
      重量980kg
      转速2930r/min
      品牌安捷











    0571-87774297