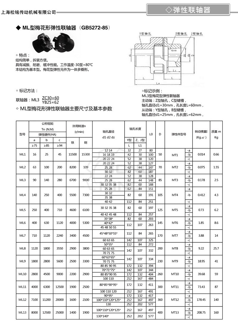
ML7弹性联轴器YA45-75 SONGMTC梅花连轴器
ML7弹性联轴器YA45-75 SONGMTC梅花连轴器
产品价格:¥900(人民币)
  • 规格:ML7
  • 发货地:上海松江
  • 品牌:
  • 最小起订量:1套
  • 免费会员
    会员级别:试用会员
    认证类型:企业认证
    企业证件:通过认证

    商铺名称:上海松铭传动机械有限公司

    联系人:苏先生(先生)

    联系手机:

    固定电话:

    企业邮箱:stone_shu@shcoupling.com

    联系地址:上海市松江区车墩镇汇桥村13队

    邮编:201611

    联系我时,请说是在变革智能网上看到的,谢谢!

    商品详情

      ML7弹性联轴器YA45-75 SONGMTC梅花连轴器

      上海松铭传动机械有限公司是一家研究、设计、销售传动类产品的企业,主营产品有:ML梅花弹性联轴器、GR星型弹性联轴器、弹性膜片联轴器(DJM、SJM、JMII、JMIIJ)、弹性柱销套联轴器、十字轴万向联轴器、万向节、鼓型齿联轴器、波纹管联轴器、UL轮胎联轴器、SL十字滑块联轴器,KC链条联轴器、JS蛇型弹簧联轴器、凸缘联轴器产品等,Z型胀紧联结套及锥套皮带轮(SPA、SPB、SPC、SPZ),并承接非标传动零部件的加工定制。

    0571-87774297