商铺名称:山东斯丹达智能科技有限公司
联系人:颜丽(小姐)
联系手机:
固定电话:
企业邮箱:410292118@qq.com
联系地址:环保科技园国际商务中心B座2011室
邮编:250101
联系我时,请说是在变革智能网上看到的,谢谢!
霍尼韦尔代理商
山东斯丹达智能科技有限公司
欢迎您咨询选型报价
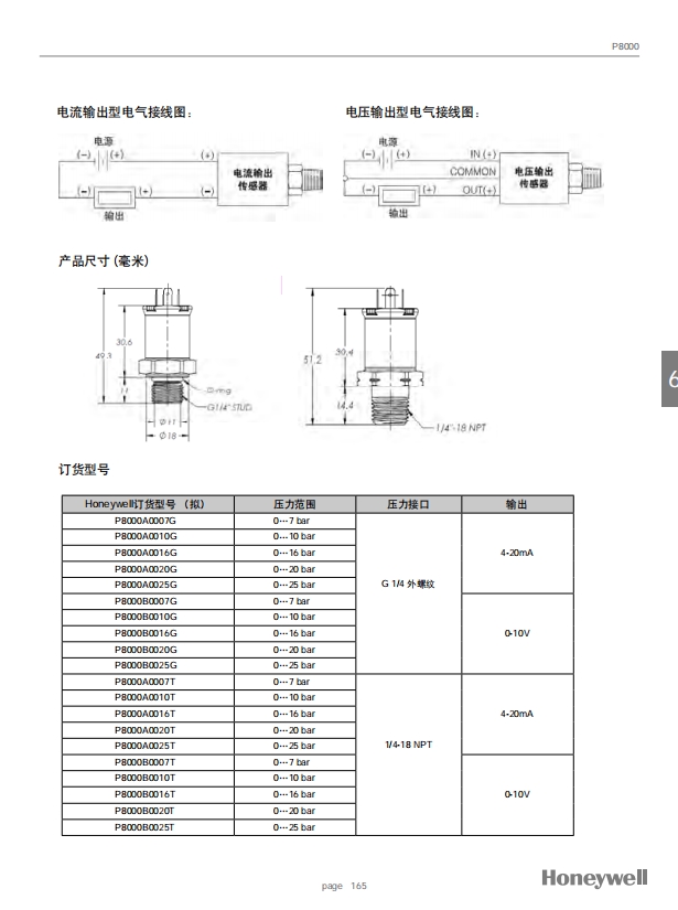
霍尼韦尔P8000系列液体、气体压力传感器
1.应用领域
主要用于中央空调水系统和区域供热水系统,以及其他温度,承压和接头材料性能匹配的液体或气体的压力测量。
2.产品特点
(1)适用于气体或液体介质
(2)高精度、热性能佳
(3)紧凑的外观设计
(4)误接线保护,短路保护(仅p8000系列)
(5)全不锈钢接液材料
(6)1米延长线,接线方便,保证整体的密封等级(仅HSP系系列)
(7)高温组件保证高温应用(仅HSP-HW系列)

