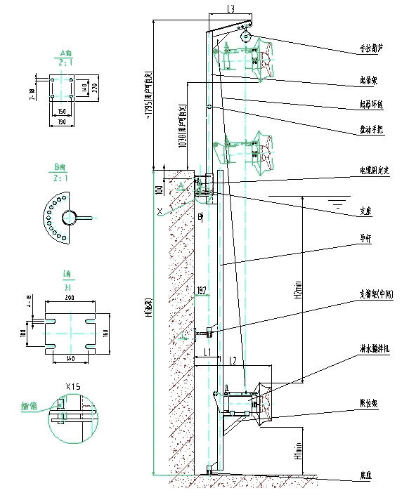
潜水搅拌机QJB4/12-620/3-480S安装尺寸
潜水搅拌机QJB4/12-620/3-480S安装尺寸
产品价格:¥8888(人民币)
  • 规格:QJB4/12-620/3-480S
  • 发货地:南京
  • 品牌:
  • 最小起订量:1台
  • 免费会员
    会员级别:试用会员
    认证类型:企业认证
    企业证件:通过认证

    商铺名称:杜安环保设备(江苏)有限公司

    联系人:李男(先生)

    联系手机:

    固定电话:

    企业邮箱:63582753@qq.com

    联系地址:六合区雄州工业园区腾飞路

    邮编:211500

    联系我时,请说是在变革智能网上看到的,谢谢!

    商品详情

      潜水搅拌机QJB4/12-620/3-480S安装尺寸

      污水搅拌器QJB4/12-620/3-480S

      潜水搅拌机使用说明书

      电机功率:4KW

      叶轮直径:620mm

      叶轮数目:3片

      材质:SU304不锈钢


      江苏杜安环保潜水搅拌机的操作说明:

      在进行设备使用之前保证潜水搅拌机与电源切断,并且没有其他的意外操作,为了避免受伤,务必要留意损坏和磨坏的机械零件的安全状态,这样才能够保证整个机器的稳定性,确保他不会向下滚动或者是倒下,这样可能会对操作人员造成一定的伤害.

      冲压式潜水搅拌机又被称为潜水推进器,它可以用在污水处理厂的工艺流程中推进搅拌,还有悬浮物的污水能够加强搅拌的功能,可以防止污泥沉淀,因此它可以用在很多工业化工生产的过程之中,但是如果对这些设备进行长期的使用而不进行保护和维护,那么很可能是他的效率降低,以至于到后他会被废弃,所以必须要能够采取正确的维护工作。

        冲压式潜水搅拌机的安装使用防护措施,一定要在进行设备使用之前保证潜水搅拌机与电源切断,并且没有其他的意外操作,为了避免受伤,务必要留意损坏和磨坏的机械零件的安全状态,这样才能够保证整个机器的稳定性,确保他不会向下滚动或者是倒下,这样可能会对操作人员造成一定的伤害,所以人们在进行操作的时候,冲压式潜水搅拌机定期检查与维护,可确保潜水搅拌机的操作更加的可靠。

      江苏杜安环保QJB潜水搅拌机

       铸件式的潜水搅拌机主要由潜水电机、密封机构、叶轮、导流罩、手摇葫芦、安装系统、电气控制等部分构成。搅拌叶轮在电机驱动下旋转搅拌液体,使之产生旋向射流,并利用沿着射流表面的剪切应力来进行混合,使流场以外的液体通过摩擦产生搅拌作用,在极度混合的同时,形成体积流,应用大体积流动模式得到受控流体的输送。

      QJB潜水搅拌机可以在不排空池子的污水情况下,安装使用潜水搅拌机,使用双导轨式安装方法,直接将装配完好的潜水搅拌机直接放在池子中,然后接通电源调试即可。

      双导杆潜水搅拌机也是属于推流机的一种,采用两根导杆的形式结构,所以也称之为双导杆搅拌机。

      液下搅拌器QJB4/12-620/3-480S


       


      江苏杜安环保QJB4/12-620/3-480S潜水搅拌机配套电气技术说明

      4.3.1 电动机及轴承

      1)电动机选型按 F 级考虑,B 级温升,选用高原型电机,高效节能型,并满足

      GB18613-2012 标准国家 2 级能效等级电机。

      2)电动机转子采用铜条结构,导体和端环之间采用可靠的焊接工艺,并应采取防止导条断裂的可靠措施,经高精度动平衡校验,电动机运转平稳,振动速度有效值不高于

      1.5mm/s。

      3)对于滑动轴承电机,应选择端盖式球面滑动轴承,投标方确保电动机运行期间不

      漏油。如发生漏油情况,在电机生命周期内免费维修。

      4)电动机前后端有轴承注油孔。

      5)电动机必需与它所驱动的设备运行条件、维护条件一致,电动机功率及启动特性

      满足被驱动设备整个性能范围内的要求。

      6)电动机噪音及振动满足相关 GB 规定。

      7)电动机按冷态启动两次或热态启动一次进行校验,定子导体温度不应超过 120 度,

      电动机起动电流及启动时间计算书应提供给买方。

      8能再浸没条件连续间歇行和期停止状(正停机后恢运行器再整个运中保状态机设使寿命不少于 30 年电动机应能够连续满负荷运行超过 16000 小时而不需要停机维修供方应根据电动机数据表中的高电机效动机率不 GB 30254-2013  2 GB30254-2013中未做规定的 10kV 电机的能效标准按照 6kV 相应规格的 2 级能效标准降 0.2 个百分点执行。

      9)机质文件、运行使明书维护、装配图和明书电动机总图及安装图(全部外形尺寸、装配尺寸、内部风道基础留荷重)、转速---转矩特性曲线启动特性曲线起吊方式绕线方式绝缘材料形式线圈温升堵转扭矩制动扭矩、制动电流、满载电流、功率因数、旋转方向等。

      10)电动机现场试验:振动试验、电动机噪声测量、电动机绝缘试验等符合要求。

      11)电动机外壳应提供用于连接接地线的螺栓。

      12)当电源电压与额定电压的偏差不超过±10%时,电动机输出功率须连续保持为额

      定值,此时温升按 B 级(绝缘等级为 F 级)考核。

      13)机的绝等级应遵循 IEC 标。绕组缘等级F定值连续运行时的温升为B级,接线盒应有相同绝缘等级。

      14)电动机在电源系统发生 0.3 秒内的晃电情况下,电动机端子电压应能 3 秒内恢复到 80%,并再加速并恢复到正常运行水平。

      15)电源频率为额定值 50Hz 时,  电源电压在 75%额定电压时,电机能连续运行 2 分

      钟而无有害过热。(即电机任何部位高表面温度不超过 T2 组所允许的温度 135℃)

      16)电机在同步转速下运行时,电压突然下降到额定电压的 70%达 2 秒钟,电机能正常运行。

      17)电机在 1.20 倍额定转速下运行 2 分钟不变形。

      18电动机滑动轴承的性能应满足国际标准化组织的规范要求自润滑的滑动轴承要保证内部有充足的油以确保至少要在整个设备的双倍运行周期内不需要供应新油原则上由从动机供货商提供强制润滑油单元每个进油管应有一个流量计和带手动阀的压力表至少带有流量低指示换油间隔应不早于 2000 运行小时(自润滑滑动轴承换油间隔时间不少于 8000 运行小时)

                质保一年


                含税运

               

    0571-87774297