商铺名称:石家庄途盟机械有限公司
联系人:宋先生(先生)
联系手机:
固定电话:
企业邮箱:172660827@qq.com
联系地址:石家庄经济技术开发区南延路123号A909厂房
邮编:050032
联系我时,请说是在变革智能网上看到的,谢谢!
匠奥全预混低氮冷凝采暖热水锅炉特点
一、节能
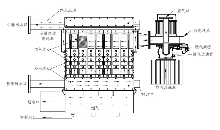
匠奥铸铝热水锅炉本体为特殊硅铸铝材质,采用逆流式换热结构,换热效果好,能实现锅炉烟气冷凝,在冷凝工况理想是锅炉热效率可高达108.9%,与常规燃气锅炉相比,可节约天然气耗量10-20%;各项燃烧和控制技术的应用,造就了匠奥锅炉的良好品质,采用100%全预混低氮燃烧技术,将空气和天然气在进入燃烧室之前按科学比例混合成可燃气体,在保障天然气燃烧工况的同时,降低空气的使用量;炉体模块化组合,集燃烧室、烟道、水道冷凝器于一体,热效率高达108%以上,排烟温度<60℃。
二、低氮排放
匠奥全预混低氮冷凝铸铝锅炉采用霍尼韦尔和西门子全预混燃烧技术,锅炉烟气氮排放低于30mg/m3,达到低氮排放。
三、使用寿命长
匠奥全预混低氮冷凝铸铝锅炉采用特殊硅铸铝材质,具有良好的抗腐蚀性能,使用寿命长。
四、燃烧机噪音低,节约电能
匠奥全预混低氮冷凝铸铝锅炉锅炉采用EBM直流磁性风机,电,故节约电能。
五、比例调节
匠奥全预混低氮冷凝铸铝锅炉采用连续脉冲功率调节,并结合有保护锅炉的慢启动,温度升降变换智能比率调节功能,保护锅炉调节过程中炉体温度变化材料应力的消减。
六、易安装,节约安装空间
匠奥全预混低氮冷凝铸铝锅炉体积小,有脚轮,易搬运,安装空间小,特别方便以后安装在地下室、楼房顶,锅炉房狭小空间,安装通道困难的使用环境。
七、智能控制系统
该款匠奥锅炉装有经过国内适应性改造的霍尼韦尔智能控制器,配置EBM全预混变频风机,进行自适应变频输出热量(普通燃气锅炉只会根据设定的温度进行简单的开、关、大、小调节火焰,锅炉启停频繁),变频控制系统、锅炉模块化和锅炉群控技术相结合,设定一台为主机,实现多机联动,实现低成本运行;室外气候补偿控制和分时分区分温控制技术依据室外温度变化调节采暖供水温度,自动调节锅炉出力来满足动态热负荷,15%-100%变频调节。
八、保护措施
微电脑智能化安全操作控制系统,多达17道保护措施(详见产品安全措施)。有停气保护、燃气压力保护、燃气流量空气脉冲补偿、预吹扫保护、防冻保护、冷凝水封堵保护、水温传感器失效保护、安全超温保护、后吹扫保护、离子熄火保护、烟气温度保护、风压开机检测、系统水过压保护、系统缺水保护、抗氧腐蚀保护、超宽电压运行等,保证锅炉运行。
九 规格齐全
从80kW到2100kW各功率型号可满足不同客户的应用需求。




